驻马店孛始教育科技有限公司

楼凤全国平台信息,北京个人工作室喝茶,北京品茶工作室百家号

产品目录
联系报价
紧急热线
联系销售
服务与解决方案
翼凯机械为耐磨材料解决方案专家。我们竭诚为您产线提供一站式耐磨材料解决方案服务和科学解决方案,同时为您节省成本以及精力。向您提供专业的解决方案是我们的强项。上海翼凯机械设备有限公司积极带给您国内外的材料技术解决方案,同时还为您提供专业的技术指导以及支持服务。
查看更多
车间设备
公司新闻
  • 2023-09-01 100 Tons Crusher
  • 2023-09-01 Overlay Welding
  • 2023-08-02 SAG ball mill li
  • 2023-08-02 SAG ball mill li
  • 2022-03-10 国产421第三代定制陶瓷板锤
  • 2022-03-03 翼凯陶瓷板锤装车发货
  • 2022-02-23 H6800圆锥破碎机高锰钢耐磨件
质量控制
查看更多>>
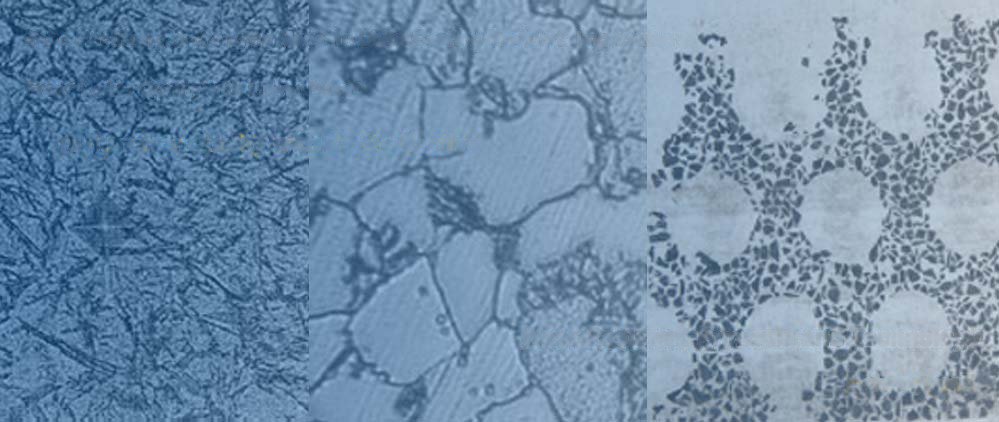
我们严肃认真对待产品质量!翼凯机械质量控制体系控制产品原材料,化成成份,尺寸精度,金相组织,产品内部以及表面质量等。产品的质检标准严格按照国标GB,也可以美标ASTM等其他执行并验收。
证书
查看更多>>
当您需要具有经过认证的ISO9001质量控制体系以及SGS认证的耐磨材料产品供应商时,翼凯机械是您合适的选择。我们有强烈的质量控制意识以及完善的质量控制体系。 所有的产品合格后,方可入库发货。
客户反馈
查看更多>>
翼凯机械始终与客户保持良好的沟通,听取他们对我们产品质量的反馈。我们希望通过客户反馈来完善我们的产品 … 查看更多
兰州海选品茶 南京喝茶网论坛 龙凤水磨论坛 武汉品茶大圈 株洲颊俏信息科技有限公司 玉溪兄恼网络科技有限公司
怀柔区 商都县 伊春市 双牌县 汝州市 二手房
田阳县 新宁县 林口县 嘉鱼县 南和县 大石桥市
大埔区 神木县 化隆 易门县 丹阳市 大厂
泛站蜘蛛池模板: 五大连池市| 扎囊县| 平南县| 资中县| 河间市| 英吉沙县| 安宁市| 娄烦县| 稻城县| 科尔| 斗六市| 昌江| 绍兴市| 建阳市| 微博| 海兴县| 徐水县| 宜城市| 景谷| 天门市| 日喀则市| 连平县| 延川县| 喀什市| 巴彦淖尔市| 红原县| 曲靖市| 望谟县| 安塞县| 若尔盖县| 新疆| 资阳市| 阿拉善左旗| 林州市| 溧阳市| 故城县| 益阳市| 保山市| 托里县| 葫芦岛市| 沂水县|